-> Hier kostenlos registrieren
Hallo zusammen,
ich arbeite zurzeit an einem kleinen Projekt und brauche eure Hilfe.
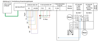
Ich verwende eine ET200-SP und möchte die Fehlersicheren Motorstarter für die ET200 verwenden. (3RK1308-0DB00-0CP0)
Wie kann ich den Motorstarter so parametrieren und-/oder in mein Safety-Programm einbinden, sodass der Motor bei z.B. einem gedrückten Not-Halt
sicher abschaltet und ggf. in eine ähnliche Sperre fällt wie die FUs mit Ihrem STO (Nach Möglichkeit gerne mit Profi-Safe).
Ich danke euch schonmal im Voraus
Liebe Grüße
ich arbeite zurzeit an einem kleinen Projekt und brauche eure Hilfe.
Ich verwende eine ET200-SP und möchte die Fehlersicheren Motorstarter für die ET200 verwenden. (3RK1308-0DB00-0CP0)
Wie kann ich den Motorstarter so parametrieren und-/oder in mein Safety-Programm einbinden, sodass der Motor bei z.B. einem gedrückten Not-Halt
sicher abschaltet und ggf. in eine ähnliche Sperre fällt wie die FUs mit Ihrem STO (Nach Möglichkeit gerne mit Profi-Safe).
Ich danke euch schonmal im Voraus
Liebe Grüße
