Step 7 Potentiometer an Analog Input

  • Ersteller Ersteller Gelöschtes Mitglied 84064
  • Erstellt am Erstellt am
Losung?
Ich brauche 3 separate 10v Netzgeräte am besten von 0 bis 10v regelbar. Und direkt auf cpu.
 
Hallo Hans im Glück

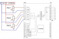
ich habe dir hier noch mal kurz ein paar Infos zusammengeschrieben, wie die Potis an ein 10V Netzteil anzuschliessen sind usw.
Eigentlich nichts anderes als die Kollegen auch geschrieben haben, aber halt nochmal zusammengefasst.
Schaltbild Potis:

AI_Schaltung.jpg
Hardwarekonfig:
AI_Hardwarekonfig.jpg
SPS Programm:
AI_OB1.PNG
 
Hier hab ich eine Beispiel SCL Quelle gebastelt zum flexibel skalieren vom PEW
Ist aber vom TIA.

Code:
 FUNCTION_BLOCK "Analoog_EW_Instelbaar"
{ S7_Optimized_Access := 'TRUE' }
VERSION : 0.1
   VAR_INPUT 
      EW : Int;
      EW_MIN : Int;
      EW_MAX : Int;
      REAL_MIN : Real;
      REAL_MAX : Real;
   END_VAR
   VAR_OUTPUT 
      REAL_Skaliert : Real;
   END_VAR
   VAR_TEMP 
      EW_REAL : Real;
      EW_MIN_REAL : Real;
      EW_MAX_REAL : Real;
   END_VAR

BEGIN
 #EW_REAL := INT_TO_REAL(#EW);
 #EW_MIN_REAL := INT_TO_REAL(#EW_MIN);
 #EW_MAX_REAL := INT_TO_REAL(#EW_MAX);
 #REAL_Skaliert:= ((#EW_REAL - #EW_MIN_REAL) / (#EW_MAX_REAL - #EW_MIN_REAL)) *(#REAL_MAX - #REAL_MIN) + #REAL_MIN;
 IF #EW < #EW_MIN THEN
     #REAL_Skaliert := #REAL_MIN;
 END_IF;
 IF #EW > #EW_MAX THEN
     #REAL_Skaliert := #REAL_MAX;
 END_IF;
END_FUNCTION_BLOCK

Geht bestimmt auch anders, ist aber nur als anhaltungspunkt..

Bram
 
Zurück
Oben