-> Hier kostenlos registrieren
Hallo Forum,
für Meldetexte etc. möchte ich ein UDF erstellen welches ein Byte (Bit 0 .. 7 ) übergeben bekommt.
Ausgeben soll das UDF
- Analog --> Gesamtzahl der Fehler (anhand des Beispiels = 3 )
- Analog --> das 1. Bit, welches den Fehler verursacht (bei mehreren Fehlern trotzdem nur das 1. Fehler-Bit )
z.B.: Eingangs-Bit 4, 5 und 7 (anhand des Beispiels = 4 )
1. Digitalausgang --> 1 Fehler
2. Digitalausgang --> >1 Fehler
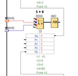
Mein Lösungsansatz (siehe Dateianhang --> *.zip muss in *.lma umbenannt werden )
für Meldetexte etc. möchte ich ein UDF erstellen welches ein Byte (Bit 0 .. 7 ) übergeben bekommt.
Ausgeben soll das UDF
- Analog --> Gesamtzahl der Fehler (anhand des Beispiels = 3 )
- Analog --> das 1. Bit, welches den Fehler verursacht (bei mehreren Fehlern trotzdem nur das 1. Fehler-Bit )
z.B.: Eingangs-Bit 4, 5 und 7 (anhand des Beispiels = 4 )
1. Digitalausgang --> 1 Fehler
2. Digitalausgang --> >1 Fehler
Mein Lösungsansatz (siehe Dateianhang --> *.zip muss in *.lma umbenannt werden )


