LOGO Schiebetür in LOGO

  • Ersteller Ersteller Gelöschtes Mitglied 159053
  • Erstellt am Erstellt am
G

Gelöschtes Mitglied 159053

Guest
Zuviel Werbung?
-> Hier kostenlos registrieren
Bin gerade noch neu hier und weiss nicht ob das hier reinpasst.
Ich soll eine Schiebetür in LOGO in der Ausbildung entwerfen und ich stehe vor dem Problem, dass ich nicht weiss wie ich die gegenseitige Verriegelung der Aktoren Q1 und Q2 hinbekomme. Vielleicht kann mir jemand aus der Community dabei helfen.

Vielen Dank schon mal im voraus
DeltaSigma

1759511227904.png

1759511175642.png
 

Anhänge

Zuletzt bearbeitet von einem Moderator:
Zuviel Werbung?
-> Hier kostenlos registrieren
Eine Schützverriegelung wird im einfachsten Fall durch einen Öffner des verriegelnden Elements (NICHT) im Betätigungspfad (UND) realisiert.
Das, nicht mehr und nicht weniger, wollte ich zum Ausdruck bringen.
 
Eine Schützverriegelung wird im einfachsten Fall durch einen Öffner des verriegelnden Elements (NICHT) im Betätigungspfad (UND) realisiert.
Das, nicht mehr und nicht weniger, wollte ich zum Ausdruck bringen.
Achso ja das kenne ich auch aber weiss nicht so ganz wie ich S2 so ins Spiel bekomme, sodass es Sinn macht.
Und bei Tastern müsste ich glaube ich Stromstoßrelais verwenden oder? Hier weiss ich auch noch nicht wie ich das hinzufügen soll oder brauche ich das gar nicht, weil ich bereits 2 RS Bausteine habe.
Und eigentlich müsste ich Q1 und Q2 verriegeln hahaha
 
Aber eigentlich hatte ich doch mit dem R Eingang bereits eine Verriegelung drin oder nicht?
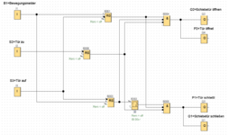
1759513351558.png
Die nächste Frage wäre dann jetzt, was ich mit S2 machen muss.
 
Wie verhält sich das Programm in der Simulation?
Ich fürchte es funktioniert bestenfalls ein Mal.
Du hast bereits zu viel gemacht… ;)
Hast Recht. Sobald S2 einmal da ist kann ich den Bewegungsmelder vergessen.
Demnach habe ich noch eine Verbindung vom Bewegungsmelder auf den Reset Eingang des mittleren RS gelegt.
1759521028461.png
Jetzt kann ich auch den Bewegungsmelder mehrmals nutzen.
 
Wenn es jetzt funktioniert – prima, Ziel erreicht.
Alternativ - ohne es ausprobiert zu haben, sollte die korrekte Funktion auch mit nur einem RS-Glied funktionieren…
 
Zurück
Oben