Ich arbeite beruflich sowohl mit der LOGO! als auch mit der S7-1200.
Bei jedem Projekt überlege ich mir vorher, was ich umsetzen möchte, und was mir die jeweilige Hardware ermöglicht.
Ich hatte bis dato noch kein Projekt, wo ich hinterher gesagt habe: "Nächstes Mal lieber das andere verwenden!"
Weder in die eine noch in die andere Richtung.
In meinen Augen sitzt das eigentliche Problem dann eher vor dem Bildschirm.
So, wie bei dem Versuch von Gexle hier drüber.
Mag sein, dass er funktioniert, aber eine einfach nachvollziehbare Logik sieht für mich anders aus.
Sorry, aber das wird dann IMHO auch mit 'ner S7-1200 nicht wesentlich besser.

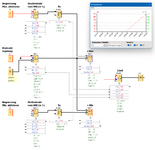
Ich würde eine Limitierung mit der LOGO! z.B. folgendermaßen umsetzen:

Oben die Max-Vorgabe: Inaktiv ist das Maximum 100%, aktiviert der Wert vom HMI in %. Gefolgt von einem 10fach-Verstärker, um von Prozent auf Promille (0-1000) zu kommen.
In der Mitte der eigentliche PI-Regel-Zweig mit dem Ausgabewert zwischen 0 und 1000.
Unten analog zum Maximum das Minimum (0% oder Wert vom HMI) wieder mit einer Promille-Verstärkung.
Zwei Komperatoren prüfen dann, ob der aktuelle Ausgabewert des PI-Reglers zwischen dem Min. und Max. liegt.
Ein abschließender Mux gibt schließlich den dem entsprechend in beide Richtungen limitierten Wert aus.
Die beiden Promille-Verstärker könnte man auch weglassen, wenn man die Vorgabe-Werte im HMI schon in den Bereich skaliert.
Und eine logische Prüfung/Begrenzung der Min.- und Max-Werte sollte dort natürlich ebenfalls erfolgen.