- Beiträge
- 7.474
- Reaktionspunkte
- 3.084
-> Hier kostenlos registrieren
Hallo Hannes,
Ich habe das mal ein wenig detailierter beschrieben.
1. Überblick
Die Gartenbewässerung basiert auf einer Siemens LOGO!-Steuerung und steuert drei Gruppen mit jeweils vier Bewässerungskreisen nacheinander,
Während ein Kreis aktiv ist, bleibt jeder andere Kreis gesperrt, um den Wasserdruck konstant zu halten und eine Überlastung der Pumpe zu vermeiden.
Die Bewässerung kann automatisch ausgeführt werden oder manuell gestartet werden.
Die automatische Sequenz arbeitet vollständig zeitgesteuert und läuft in einer klar definierten Reihenfolge ab.
2. Automatikbetrieb
Der Automatikbetrieb wird durch den Bediener über einen Startbefehl aktiviert.
Sobald der Automatikmodus aktiv ist, übernimmt die LOGO die vollständige Steuerung aller zwölf Bewässerungskreise.
Ablauf des Automatikbetriebs
Startsignal:
Der Benutzer aktiviert den Automatikbetrieb. Die LOGO geht in (AUTO_RUN), der Gesamtprozess ist freigegeben.
Schrittauswahl durch Zähler:
Ein interner Zähler (0 bis 11) bestimmt, welcher Bewässerungskreis aktuell aktiv ist:
--------------------------
GRUPPE RASEN
--------------------------
Zählerstand 0 → Rasen Kreis 1
Zählerstand 1 → Rasen Kreis 2
Zählerstand 2 → Rasen Kreis 3
Zählerstand 3 → Rasen Kreis 4
→→→→→→→→→→→→→→→→→→→→→→→
--------------------------
GRUPPE STREUCHER
--------------------------
Zählerstand 4 → Streucher Kreis 1
Zählerstand 5 → Streucher Kreis 2
Zählerstand 6 → Streucher Kreis 3
Zählerstand 7 → Streucher Kreis 4
--------------------------
GRUPPE RASEN
--------------------------
Zählerstand 8 → Blumen Kreis 1
Zählerstand 9 → Blumen Kreis 2
Zählerstand 10 → Blumen Kreis 3
Zählerstand 11 → Blumen Kreis 4
→→→→→→→→→→→→→→→→→→→→→→→
Ablauftimer (Taktgeber):
Drei Ablauftimer erzeugen in festgelegten Intervallen ein Taktsignal.
Jeder Ablauftimer steht für eine Gruppe z.B. Rasen 20 Minuten Blumen 10 Minuten Sträucher 60 Minuten.
Die Dauer jedes Ablauftimers soll per Webinterface einstellbar sein.
Die Gruppen werden nacheinander durchlaufen. Erst Rasen dann Streucher dann Blumen.
Jedes Taktsignal erhöht den Zähler um 1 → das nächste Ventil der Gruppe wird aktiviert.
Aktivierung der Bewässerungskreise:
Die LOGO steuert die entsprechenden Magnetventile der Kreise direkt an.
Ende eines Zyklus:
Sobald der letzte Kreis beendet wurde (Zählerstand 11 + nächster Taktimpuls), erkennt die LOGO das Zyklusende:
Der Zähler wird zurückgesetzt (auf 0)
Der Automatikmodus wird beendet bis zum nächsten Signal des Wochen Timers
Alle Ausgänge werden deaktiviert
Damit ist der automatische Bewässerungsdurchlauf abgeschlossen bis der Wochen Timer das nächste Startsignal ausgibt.
3. Manuellbetrieb
Neben der Automatik besteht die Möglichkeit, jeden Bewässerungskreis manuell zu aktivieren.
Im manuellen Modus:
kann jede Gruppe einzeln eingeschaltet werden und läuft für die eingestellte Dauer des Ablauftimers
im Automatik Modus bis zum Ende der Gruppe und stoppt.
Zeit- und Abhängigkeiten der Gruppe bleiben bestehen.
Dieser Modus ist für kurzfristige Bewässerung einzelner Bereiche vorgesehen.
4. Wartungsmodus
Im Wartungsmodus ist es möglich jedes Ventil einzeln ein- und auszuschalten.
Einschalten mehrerer Ventile gleichzeitig soll nicht möglich sein.
5. Sicherheitsfunktionen
Die Steuerung enthält mehrere Schutzmechanismen:
NOT-AUS Funktion:
Ein spezieller Eingang setzt alle Ausgänge sofort auf 0 und beendet jeden laufenden Automatikzyklus.
Startbedingungen:
Die Automatik startet nur, wenn kein manueller Betrieb aktiv ist.
Zustandssicherung:
Die LOGO verhindert, dass mehrere Kreise gleichzeitig aktiv werden.
6. Erweiterbarkeit
zusätzliche Bewässerungskreise
Feuchtigkeitssensoren
Wetterdaten-Anbindung
Pumpenschutz / Durchflussüberwachung
Wochenpläne
Webinterface zur Bedienung per Tablet oder Handy
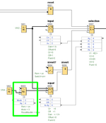
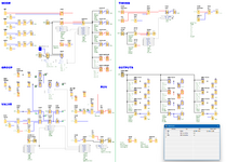
Hab' mir dann mal die Zeit genommen und diese Überlegung umgesetzt:Meine 1. Überlegung tendiert da zu 2 Zählern:
einen für die Auswahl der Gruppe, einen für die Auswahl des Ventils in dieser Gruppe.
Der 2. Zähler ermöglicht auch nur eine vorgewählte Gruppe automatisch durchlaufen zu lassen (Halbautomatik).
Beide Zähler (oder Vorwahl) dann entsprechend zusammenrechnen, um immer eine eindeutige Auswahl für's Ventil zu bekommen.

I1 bis I4 wählen den Modus vor:
I1=Aus (ggf. auch als "Not-Aus" nutzbar), I2=Handbetrieb, I3=Halbautomatik (nur die vorgewählte Gruppe bewässern, I4=Vollautomatik
I5 und I6 wählen ggf. die Ventilgruppe und das Ventil in dieser Gruppe aus.
I7 startet das Bewässern (ggf. in Automatik) oder stoppt es.
Wenn die Automatik mit I7 gestoppt und wieder gestartet wird, bleibt das letzt angesteuerte Ventil aktiv, nur die Zeit beginnt von vorne.
Wenn die Zeit auch fortgesetzt werden soll, müsste man die einfache Einschaltverzögerung B043 z.B. auf eine etwas aufwendigere Stoppuhr umbauen.
Die Wochenschaltuhr B044 aktiviert ggf. sowohl die Halb- als auch die Vollautomatik, wenn diese aktiv sind.
Die Nutzung des VM-Bereiches ist im Kommentar unter den Programm-Eigenschaften (Alt + Enter) beschrieben.
Alles ab VW10 ist dabei über die Parameter-VM-Zuordnung (Extras) eingetragen.
Meldetexte habe ich nur angedeutet.
Ventile und Gruppen sollten ggf. relativ einfach erweiterbar sein.
Nur bei unterschiedlich vielen Ventilen je Gruppe müsste man "aufwendiger" nacharbeiten.
Mit dem LWE selbst kann ich nicht helfen, da hab' ich bisher noch nix gemacht.









